|
ANTENNEPARK /
ANTENENPARK |
|
|
|
|
|
Antenne situatie
2024/Heden:
Antennensituation 2024/Heute: |

 
De bovenkant van de topmast zit op 26,2 meter
hoogte, daar bevind zich een Diamond X-200N voor de 2
meterband en 70 centimeterband. Daar onder bevind
zich de Log Periodic
Antenna CLP 5130-1 van CREATE op 25,8 meter hoogte.
Daarna komt de grote middengolfantenne voor de
AM 1008 khz met de top op ongeveer 25 meter
hoogte, deze antenne is een gevouwen dipool
in een Inverted L-antenne met een afgestemde
aardradiaal, die 3,5 meter boven de grond
zweeft. Totaal is de antenne ongeveer 100 meter
lang. Op 22 meter
hoogte zit de voedingspunt voor de inverted V
antenne voor de 160 meterband.
Op 21 meter hoogte zit een ¼ λ Ground Plane voor de 10
meterband.
Die Spitze des obersten
Mastes
befindet
sich
auf
einer
Höhe
von 26,2 Metern, eine
Diamond X-200N
für das 2-Meter-Band und das
70-Zentimeter-Band. Darunter
befindet
sich die Log Periodic
Antenna CLP 5130-1 von CREATE in einer
Höhe von 25,8 Metern. Dann kommt die
große
Mittelwellenantenne
für AM 1008 kHz mit der Spitze in etwa 25
Metern
Höhe. Dies ist ein gefalteter Dipol in
einer invertierten L-Antenne mit einem
abgestimmten Erd radial, der 3,5 Meter über
dem Boden schwebt. Insgesamt
ist die Antenne etwa 100 Meter lang. Der Einspeisepunkt
für die invertierte V-Antenne für das
160-Meter-Band befindet
sich
auf
einer
Höhe
von 22 Metern. Auf 21 Metern
Höhe
befindet
sich
eine
¼ λ Ground Plane
für das 10-Meter-Band. |
|
|
|
|
|
|
|
|
Antenne situatie
2023/2024:
Antennensituation 2023/2024 |
 
 
De bovenkant van de topmast zit op 26,2 meter
hoogte, daar bevind zich de antenne voor 35 cm,
dit is een 17 element Yagi. Daar onder bevind
zich de Log Periodic Antenna CLP 5130-1 van
CREATE op 25,8 meter hoogte. Daarna komt de
grote middengolfantenne voor de AM 1008 khz met
de top op ongeveer 25 meter hoogte, deze antenne
is een gevouwen dipool in een Inverted L-antenne
met een afgestemde aardradiaal, die 3,5 meter
boven de grond zweeft. Totaal is de antenne
ongeveer 100 meter lang. Op 23 meter hoogte zit
een verticaal voor de 3 meterband. Op 22 meter
hoogte zit de voedingspunt voor de inverted V
antenne voor de 160 meterband. Op 21 meter
hoogte zit een Diamond X-200N voor de 2 meterband en
70 centimeterband.
Die Spitze des obersten
Mastes
befindet
sich
auf
einer
Höhe
von 26,2 Metern, wo sich die
35-cm-Antenne befindet,
eine 17-Elemente-Yagi. Darunter
befindet
sich die Log Periodic
Antenna CLP 5130-1 von CREATE in einer
Höhe von 25,8 Metern. Dann kommt die
große
Mittelwellenantenne
für AM 1008 kHz mit der Spitze in etwa 25
Metern
Höhe. Dies ist ein gefalteter Dipol in
einer invertierten L-Antenne mit einem
abgestimmten Erd radial, der 3,5 Meter über
dem Boden schwebt. Insgesamt
ist die Antenne etwa 100 Meter lang. Auf
23 Metern
Höhe
befindet
sich
eine
Vertikale
für das 3-Meter-Band. Der Einspeisepunkt
für die invertierte V-Antenne für das
160-Meter-Band befindet
sich
auf
einer
Höhe
von 22 Metern. Auf 21 Metern
Höhe
befindet
sich
eine
Diamond X-200N
für das 2-Meter-Band und das
70-Zentimeter-Band. |
|
|
|
|
|
|
|
|
Antenne situatie
2021/2023:
Antennensituation 2021/2023: |
 

 |
|
|
|
|
|
|
|
|
|
Tabel van bodemgeleiding en
bodemweerstand van verschillende grondsoorten.
Onze "Aardpen 3" zit op 24 meter diepte, tijdens
de plaatsing zijn op verschillende dieptes
weerstandsmetingen gedaan, één meting viel
precies in tabel, zie tabel.
Tabelle der Bodenleitfähigkeit und des
Bodenwiderstands verschiedener Bodenarten.
Unser "Erdungsstift 3" befindet sich in einer Tiefe
von 24 Metern, Widerstandsmessungen wurden bei
der Installation in unterschiedlichen Tiefen
vorgenommen, eine Messung fiel genau in die
Tabelle, siehe Tabelle. |
|
Type bodem |
Bodem
Weerstand |
Aardingsweerstand bij
de lengte aardelektrode |
Bodem
Geleiding |
|
Ώm |
3 m |
6 m |
10 m |
mS |
|
Zeewater |
18,5 |
- |
- |
- |
54,0 |
Zeer vochtige,
drassige bodem |
30 |
10 |
5 |
3 |
33,3 |
|
Radio Babylona |
67,5 |
- |
11,2 |
- |
14,9 |
Leemhoudende,
landbouw- en
Kleigronden |
100 |
33 |
17 |
10 |
10,0 |
|
Zanderige kleigrond |
150 |
50 |
25 |
15 |
6,67 |
|
Vochtige zandgrond |
300 |
66 |
33 |
20 |
3,33 |
|
Beton 1:5 |
400 |
- |
- |
- |
2,50 |
|
Vochtige kiezelzand |
500 |
160 |
80 |
48 |
2,00 |
|
Droge zandgrond |
1000 |
330 |
165 |
100 |
1,00 |
|
Droog kiezelzand |
1000 |
330 |
165 |
100 |
1,00 |
|
Steenachtige bodem |
30000 |
1000 |
500 |
300 |
0,033 |
|
Rotsbodem |
10000000 |
- |
- |
- |
0,0001 |
|
|
|
|
|
|
|
|
|
|
Het gehele opbouw van de antenne
installatie van Radio Babylona |
|
|
|
|

Aarding bij middengolfantennes: drie
belangrijke toepassingen
Bij het gebruik van middengolfantennes speelt
aarding een cruciale rol. Er zijn drie
verschillende redenen waarom een aardsysteem
wordt aangelegd elk met een eigen functie binnen
het totale antennesysteem:
-
De gewone
aarde (de aardpen) is meer bedoeld om de
stoorsignalen te onderdrukken, onder ander
mantelstroom te beperken.
-
De HF aarde (in onze
situatie de aardradiaal) is om de efficiëntie
van de antenne zo optimaal mogelijk te krijgen.
-
Een ideale grondgeleiding zorgt
ervoor, dat de afstraling van een
antenne voor verticaal meer op een
halve donuts gaat lijken (Een zeer
slechte geleiding lijkt het meer op
een hele bal op de grond). De halve
donut vorm zorgt voor een goede
grondgolf en met een bal vorm krijg
je een NVIS effect. Voor LPAM wil je
het liefst alleen maar grondgolf
maken.
Afstraling op de middengolf: Waar moet je
rekening mee houden?
Bij het gebruik van antennes voor de
middengolfband is het belangrijk om te begrijpen
dat dezelfde antennevorm op verschillende
frequenties ook verschillend zal afstralen. Dit
verschil ontstaat onder andere door de
veranderende interactie met de aarde,
afhankelijk van de frequentie en de hoogte van
de antenne.
Verschil in afstraalgedrag bij lage en
hoge frequenties
Wanneer je bijvoorbeeld onze driehoekantenne
gebruikt, zal deze op lagere frequenties een
afstraalpatroon vertonen dat lijkt op een halve
donut: veel van het signaal blijft dicht bij de
aarde en volgt de kromming van het aardoppervlak
dit noemen we grondgolf. Bij hogere frequenties
verandert dit patroon: het gaat meer lijken op
een bolvormig patroon dat gericht is naar boven
en de lucht in hierbij spreken we van skywave,
waarbij het signaal via de ionosfeer terug naar
aarde wordt gereflecteerd.
Invloed van de bodemgeleiding
De geleiding van de bodem onder de antenne
speelt ook een grote rol in de efficiëntie van
de afstraling.
-
Op slecht geleidende grond is het
aan te raden om een zo groot
mogelijk oppervlak van koper of
staal als grondvlak (radialen) aan
te leggen. Dit verbetert de
aardverbinding en verhoogt de
efficiëntie van de antenne
aanzienlijk.
-
Op goed geleidende grond is dat niet
altijd noodzakelijk. Als er geen
aardradiaal aan de antenne zit, dan
is het wel aan te raden om een zo
groot mogelijk oppervlak van koper
of staal als grondvlak (radialen)
aan te leggen, om het verlies ten
opzichte van de grondgolf zo laag
mogelijk te houden.
Praktijkvoorbeeld
In onze eigen situatie hebben we géén
grondradialen ingegraven, enkel gebruikgemaakt
van een aardpen. Om te testen hebben we
tijdelijk acht radialen van elk 50 meter
uitgerold. Het resultaat? Er was geen merkbaar
verschil in bereik of signaalkwaliteit. De reden
hiervoor is waarschijnlijk dat onze grond van
zichzelf al redelijk goed geleid rond de 15 mS (millisiemens).
Daaruit hebben we geconcludeerd: als er in de
praktijk geen verschil merkbaar is, dan is het
zonde van de tijd en moeite om de hele tuin vol
te leggen met koperdraad. Soms is eenvoud de
beste keuze..
Erdung bei Mittelwellenantennen: Drei wichtige Anwendungen
Beim Einsatz von Mittelwellenantennen spielt die Erdung eine entscheidende Rolle.
Es gibt drei unterschiedliche Gründe, warum ein Erdungssystem eingerichtet wird
jede davon erfüllt eine eigene Funktion innerhalb des gesamten Antennensystems:
-
Die normale Erde (der Erdungsstift)
dient eher der Unterdrückung der
Störsignale, unter anderem zur
Begrenzung des Mantelstroms.
-
Die HF-Erde (in unserer Situation
das Erdradial) soll den Wirkungsgrad
der Antenne optimieren.
-
Eine ideale Bodenleitung sorgt dafür,
dass die Strahlung einer vertikalen
Antenne eher wie ein halber Donut
aussieht (Eine sehr schlechte
Leitung lässt sie eher wie eine
ganze Kugel auf dem Boden aussehen).
Die halbe Donutform sorgt für eine
gute Bodenwelle und mit der
Kugelform erhalten Sie einen
NVIS-Effekt. Für LPAM möchten Sie
lieber nur Bodenwellen erzeugen.
Mittelwellen-Abstrahlung: Worauf
sollte man achten?
Beim Einsatz von Antennen im
Mittelwellenbereich ist es wichtig zu
verstehen, dass dieselbe Antennenform
auf unterschiedlichen Frequenzen ein
unterschiedliches Abstrahlverhalten
zeigt. Dieser Unterschied entsteht unter
anderem durch die veränderte
Wechselwirkung mit der Erde, abhängig
von der Frequenz und der Höhe der
Antenne.
Unterschiedliches
Abstrahlverhalten bei niedrigen und
hohen Frequenzen
Wenn man zum Beispiel unserer
Dreieckantenne verwendet, zeigt diese
bei niedrigeren Frequenzen ein
Abstrahlmuster, das einer halben
Donut-Form ähnelt: Ein großer Teil des
Signals bleibt nahe am Boden und folgt
der Erdkrümmung dies bezeichnet man als
Bodenwelle. Bei höheren Frequenzen
ändert sich dieses Muster: Es ähnelt
eher einer kugelförmigen Abstrahlung,
die nach oben gerichtet ist hierbei
spricht man von der Skywave, bei der das
Signal über die Ionosphäre zur Erde
zurückreflektiert wird.
Einfluss der Bodenleitfähigkeit
Die Leitfähigkeit des Bodens unter der
Antenne spielt ebenfalls eine wichtige
Rolle bei der Effizienz der Abstrahlung.
-
Auf schlecht leitfähigem Boden
empfiehlt es sich, eine möglichst
große Fläche aus Kupfer oder Stahl
als Erdfläche (Radiale) auszulegen.
Dies verbessert die Erdverbindung
deutlich und steigert die Effizienz
der Antenne.
-
Auf gut leitfähigem Boden ist das
nicht zwingend notwendig. Ist jedoch
kein Erdstrahler (Radialnetz) an der
Antenne vorhanden, ist es auch dort
sinnvoll, möglichst viel Fläche aus
leitfähigem Material im Boden zu
integrieren, um die Verluste bei der
Bodenwelle möglichst gering zu
halten.
Praxisbeispiel
In unserer eigenen Installation haben
wir keine Radiale in den Boden
eingegraben, sondern lediglich einen
Erdspieß verwendet. Um die Wirkung zu
testen, haben wir acht Radiale mit
jeweils 50 Metern Länge vorübergehend
verlegt. Das Ergebnis? Es war kein
Unterschied in Reichweite oder
Signalqualität erkennbar. Der Grund
liegt vermutlich darin, dass unser Boden
von Natur aus eine recht gute
Leitfähigkeit aufweist etwa 15 mS (Millisimens).
Unsere Schlussfolgerung: Wenn in der
Praxis kein Unterschied festzustellen
ist, lohnt sich der große Aufwand, den
ganzen Garten mit Drähten zu versehen,
nicht. Manchmal ist die einfachste
Lösung auch die beste.
Wenn man zum Beispiel unserer
Dreieckantenne verwendet, zeigt diese
bei niedrigeren Frequenzen ein
Abstrahlmuster, das einer halben
Donut-Form ähnelt: Ein großer Teil des
Signals bleibt nahe am Boden und folgt
der Erdkrümmung dies bezeichnet man als
Bodenwelle. |
.png)
|
De linkse plaatje is een zeer
optimistisch grondgolf bereik (Donut vorm), het
is een leuke uitdaging om dit plaatje te
evenaren op de middengolf. Dit met name de
grondgeleiding, beperkte ruimte en beperkte
hoogte voor de antenne.
Das linke Bild zeigt
einen sehr optimistischen
Grundwellenbereich (Donut-Form). Es ist
eine schöne Herausforderung, dieses Bild
auf die Mittelwelle abzustimmen. Dies
betrifft vor allem die Bodenführung, begrenzten Platz und begrenzte Höhe für die
Antenne. |
|
|
|
|
|
|
|
|
|
|
3 mei 2021 t/m
heden:
|
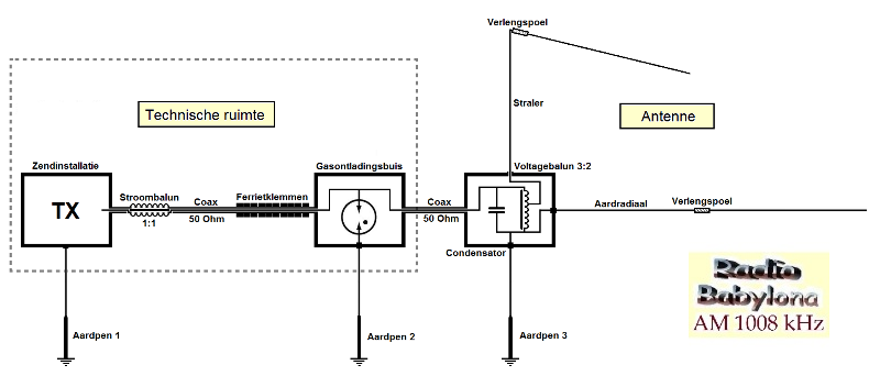
Voltagebalun 3:2 met een
Condensator van 1000pF
33 Ohm in vanaf de antenne en 50 Ohm uit naar de
zender.
Deze Voltage Balun heb ik net zo als de vorige
Balun, ook gehaald uit een Fritzel Behuizing van
de Serie 83. Deze was beschadigd door slechte
verbinding bij de draadaansluiting. Hiervan heb
ik de wikkelingen iets aangepast om de
verhouding 3:2 te krijgen.
Spannungsbalun 3:2 mit einem 1000pF Kondensator
33 Ohm Eingang von der Antenne und 50 Ohm
Ausgang zum Sender.
Ich
habe auch diesen Spannungsbalun, genau wie den
vorherigen Balun, aus einem Fritzel-Gehäuse der
Serie 83 entfernt. Dieser war aufgrund einer
schlechten Verbindung an der Drahtverbindung
beschädigt. Ich habe die Wicklungen leicht
angepasst, um das Verhältnis 3:2 zu erreichen. |
|

We proberen altijd zoveel mogelijk met de
componenten wat we hier nog hebben liggen te
hergebruiken, en waar nodig is om dan pas te
vernieuwen. Zo krijgt ook dit materiaal weer
zijn tweede leven.
Wir versuchen immer, die hier noch vorhandenen Komponenten so weit wie möglich
wiederzuverwenden und sie erst dann bei Bedarf zu erneuern. Auf diese Weise
erhält auch dieses Material ein zweites Leben.
|
|
|
|
|
|
|
|
|
3 mei 2021 t/m
heden:
|
Babylona's
Inverted L-antenne
met een afgestemde
aardradiaal
Deze antenne is een halve
golfantenne voor AM 1008 kHz.
Diese Antenne ist eine
Halbwellenantenne für AM
1008 kHz. |
|

De antenne is een gevouwen dipool
in een Inverted L-antenne met een afgestemde
aardradiaal, die 3,5 meter boven de grond zweeft. Totaal is de antenne ongeveer 100 meter lang
(2 keer 50 meter!).
Vergeleken met de voorgaande antennes op deze
frequentie met de voedingspunt bovenaan, is de
grondgolf afstraling aardig gelijk aan elkaar.
Net zoals volgens de Antenne simulator, is de
opwaartse straling wel aardig gedempt bij deze
opstelling.
Die Antenne ist ein gefalteter Dipol in einer invertierten L-Antenne mit einem
abgestimmten Erd radial, der 3,5 Meter
über dem Boden schwebt. Insgesamt ist die Antenne etwa
100 Meter lang (2 mal 50
Metern!).
Im Vergleich zu den bisherigen
Antennen bei dieser Frequenz mit dem Einspeisepunkt oben ist die
Grundwellenabstrahlung recht ähnlich. Genau wie beim Antennensimulator ist die
Aufwärtsstrahlung in diesem Aufbau ziemlich gedämpft.
|
|
|
|
|
|
|
|
|
Antenne situatie
2020/2021:
Antennensituation 2020/2021: |
 


 |
|
|
|
|
|
Op 25,6 meter hoogte zit een Diamond X-200N voor de 2 meterband en 70 centimeterband,
Daarna komt de grote middengolfantenne voor de
AM 1008 khz, dit is een gevouwen dipool in een
gekantelde J vorm die 3,5 meter boven de grond
zweeft, het
vertikaal gedeelte hiervan is 22 meter hoog (loopt iets
scheef van de mast af). Deze antenne is totaal 100
meter lang, en de voedingspunt hiervan zit op 25,4
meter hoogte. Op 24,5 meter
hoogte zit de voedingspunt voor de inverted V
antenne voor de 180 meterband.
Op 23 meter hoogte zit een katrol met kabel voor
experimenteren van andere antennes, die ik via
de katrol zo omhoog kan hijsen, zonder dat de
mast naar beneden moet.
Auf 25,6 Metern Höhe befindet sich eine Diamond
X-200N für das 2-Meter-Band und das
70-Zentimeter-Band. Dann kommt die große
Mittelwellenantenne für den AM 1008 kHz. Dies
ist ein gefalteter Dipol in einer geneigten
J-Form, der 3,5 Meter über dem Boden schwebt,
die Vertikale Ein Teil davon ist 22 Meter hoch (leicht
vom Mast abfallend). Diese Antenne hat eine
Gesamtlänge von 100 Metern und einen
Einspeisepunkt von 25,4 Metern. Der
Einspeisepunkt für die invertierte V-Antenne für
das 180-Meter-Band befindet sich auf einer Höhe
von 24,5 Metern. In einer Höhe von 23 Metern
befindet sich eine Riemenscheibe mit Kabel zum
Experimentieren mit anderen Antennen, die ich
über die Riemenscheibe anheben kann, ohne den
Mast absenken zu müssen.

Verlengspoelen
voor de 180 meterband inverted V antenne /
Verlängerungsspulen
für die 180-Meter-Band-Inverted-V-Antenne |
|
|
|
|
|
|
|
|
24 maart 2020 t/m
1 mei 2021:
|
Babylona's
gekantelde J-antenne
Deze antenne is een halve
golfantenne voor AM 1008 kHz.
Een
dipool die gevouwen
is als
een
gekantelde J vorm, die een lengte heeft
van 2 keer 50 meter!
Diese Antenne ist eine
Halbwellenantenne für AM
1008 kHz.
Ein Dipol, der wie gefaltet
ist
eine geneigte J-Form, die
eine Länge von 2 mal 50
Metern hat! |
|

De antenne is een gevouwen dipool
in een gekantelde J vorm
die 3,5 meter boven de grond zweeft, het vertikaal
gedeelte is 22 meter hoog (loopt iets scheef van
de mast af), na de 90 graden hoek is het nog
ongeveer 28 meter. Vanaf de voedingspunt schuin naar
beneden is ongeveer 50 meter aan antennedraad. Totaal is de antenne ongeveer 100 meter lang.
Wegens omstandigheden hadden we de antenne eerst
alleen zo even voorbereid, zodat de maten alvast
gereed waren om later de antenne in de huidige
vorm neer te zetten. Daarvoor moesten er nog
verschillende dingen aangepast worden, voordat
het zover was.
Die Antenne ist ein gefalteter
Dipol in einer geneigten J-Form, der 3,5 Meter
über dem Boden schwebt. Der vertikale Teil ist
22 Meter hoch (leicht vom Mast abfallend), nach
dem 90-Grad-Winkel sind es etwa 28 Meter. Vom
Einspeisepunkt fallen etwa 50 Meter
Antennenkabel ab. Insgesamt ist die Antenne etwa
100 Meter lang.
Aufgrund der Umstände hatten wir
die Antenne zunächst nur kurz vorbereitet, sodass die Maße bereit waren, um die
Antenne später in ihrer jetzigen Form einbauen zu können. Bevor es dazu kam,
mussten noch einige Dinge angepasst werden.
  
Voor maximale efficiëntie mag de verkorte dipool
voor deze frequentie niet korter zijn dan totale
lengte van rond de 97,6 meter.
Für maximale Effizienz sollte der
verkürzte Dipol für diese Frequenz nicht kürzer sein als Gesamtlänge von rund
97,6 Metern.
|
| |
|
|
|
| |
|
Antenne
situatie 2019:
Antennensituation 2019: |

 
 
 |
| |
|
| |
De middengolfantenne is een grote driehoek die 4
meter boven de grond zweeft, het vertikaal
gedeelte is 22 meter hoog (loopt iets scheef van
de mast af). Totaal is de antenne 144 meter
lang, en de voedingspunt zit op 25,5 meter
hoogte. Op 25 meter hoogte zit verticaal een 4
element Flexayagi FX 205 V voor de 2 meterband, en op 23,5 meter
hoogte zit de voedingspunt voor de inverted V
antenne voor de 80 meterband.
Die Mittelwellenantenne ist ein großes Dreieck,
das 4 Meter über dem Boden schwebt. Der
vertikale Teil ist 22 Meter hoch (leicht vom
Mast abfallend). Insgesamt ist die Antenne 144
Meter lang und der Einspeisepunkt 25,5 Meter
hoch. In einer Höhe von 25 Metern gibt es ein
vertikales 4-Element Flexayagi FX 205 V für das 2-Meter-Band
und in einer Höhe von 23,5 Metern den
Einspeisepunkt für die invertierte V-Antenne für
das 80-Meter-Band. |
| |
|
|
|
| |
|
18 juni 2019 t/m
oktober 2019:
|
Babylona's
Driehoekantenne
Deze antenne is een halve
golfantenne voor AM 1008 kHz.
Een
dipool die gevouwen
is als
een driehoek, die een lengte heeft van 2
keer 72 meter!
Diese Antenne ist eine Halbwellenantenne
für AM 1008 kHz.
Ein Dipol, der wie gefaltet ist
ein Dreieck mit einer Länge von 2 mal 72
Metern! |
|

De antenne is een grote driehoek
die 4 meter boven de grond zweeft, het vertikaal
gedeelte is 22 meter hoog (loopt iets scheef van
de mast af), na de 90 graden hoek is het nog
ongeveer 50 meter. Vanaf de voedingspunt schuin naar
beneden is ongeveer 52 meter aan antennedraad,
en daarna een gedeelte weer terug getrokken
(eerst 2 meter opzij) en dat is nog
ongeveer 18
meter lang. Totaal is de antenne ongeveer 144 meter lang.
Hoe
lager in de frequentie, hoe gunstiger de
afstraling wordt met deze antenne vorm is. Ik
had met de antenne simulator al gezien dat het
rond deze frequentie wel de kantelpunt was, waar
bij de opwaartse straling meer een rol mee ging
spelen. Waardoor in de avonduren de skywave en
de grondgolf samen komen binnen de eigen
zendgebied. Deze beide signalen gaan dan in fase
en uit fase met elkaar, waardoor er fading
gedrag ontstaat. Om te kijken als het ook klopte
in praktijk, heb ik het even een paar maandjes
geprobeerd.
Die Antenne ist ein großes Dreieck, das 4 Meter
über dem Boden schwebt. Der vertikale Teil ist
22 Meter hoch (leicht vom Mast abgewinkelt),
nach dem 90-Grad-Winkel sind es noch etwa 50
Meter. Etwa 52 Meter Antennendraht wurden vom
Einspeisepunkt nach unten geneigt, und dann
wurde ein Teil wieder zurückgezogen (die ersten
2 Meter zur Seite), der etwa 18 Meter lang ist.
Insgesamt ist die Antenne etwa 144 Meter lang.
Je
niedriger die Frequenz, desto günstiger ist die
Abstrahlung bei dieser Antennenform. Ich hatte
bereits mit dem Antennensimulator gesehen, dass
es um diese Frequenz herum den Wendepunkt gab,
an dem die Aufwärtsstrahlung wichtiger wurde.
Das bedeutet, dass in den Abendstunden Himmels-
und Bodenwelle innerhalb eines eigenen
Sendegebiets zusammenkommen. Diese beiden
Signale sind dann in Phase und phasenverschoben,
was zu einem Schwundverhalten führt. was zu
einem Schwundverhalten führt. Um zu sehen, ob es
in der Praxis richtig war, habe ich es einige
Monate lang ausprobiert.
|
| |
|
|
|
| |
|
Antenne situatie
2018/2019:
Antennensituation 2018/2019: |
 
  |
| |
|
| |
De middengolfantenne is een grote
driehoek die 4 meter boven de grond zweeft, het
vertikaal gedeelte is 22 meter hoog (loopt iets
scheef van de mast af). Totaal is de antenne 156
meter lang, en de voedingspunt zit op 25,5 meter
hoogte. Op 25 meter hoogte zit verticaal een 4
element Flexayagi FX 205 V voor de 2 meterband, en op 23,5 meter
hoogte zit een 6 element Yagi voor de 3,5 meterband en deze kunnen we van
horizontaal naar verticaal roteren, doormiddel
van de elevator rotor ERC-51 van CREATE.
Die Mittelwellenantenne ist ein großes Dreieck,
das 4 Meter über dem Boden schwebt. Der
vertikale Teil ist 22 Meter hoch (leicht vom
Mast abfallend). Insgesamt ist die Antenne 156
Meter lang und der Einspeisepunkt 25,5 Meter
hoch. In einer Höhe von 25 Metern gibt es ein
vertikales 4-Element Flexayagi FX 205 V für den
2-Meter-Band und in einer Höhe von 23,5 Metern ein
6-Element-Yagi für den 3,5-Meter-Band, und wir
können es mittels des von horizontal nach
vertikal drehen Elevator rotor ERC-51 von CREATE. |
| |
|
|
|
| |
|
Antenne situatie
2016/2018:
Antennensituation 2016/2018: |

 
 |
| |
|
| |
De middengolfantenne is een grote
driehoek die 4 meter boven de grond zweeft, het
vertikaal gedeelte is 23 meter hoog (loopt iets
scheef van de mast af). Totaal is de antenne 156
meter lang, en de voedingspunt zit op 25,5 meter
hoogte. Op 21,5 meter hoogte zit verticaal een 4
element Flexayagi FX 205 V voor de 2 meterband, en op 23,5 meter
hoogte zit een Bigwheel voor de 70 cm band.
Die Mittelwellenantenne ist ein großes Dreieck,
das 4 Meter über dem Boden schwebt. Der
vertikale Teil ist 23 Meter hoch (leicht vom
Mast abfallend). Insgesamt ist die Antenne 156
Meter lang und der Einspeisepunkt 25,5 Meter
hoch. In einer Höhe von 21,5 Metern gibt es
einen vertikalen 4-Element Flexayagi FX 205 V für
den 2-Meter-Band und in 23,5 Metern ein Bigwheel
für den 70-cm band. |
| |
|
|
|
| |
|
2
december 2017 t/m
31 december
2018:
|
Babylona's
Driehoekantenne
Deze antenne is een halve
golfantenne voor AM 675 kHz.
Een
dipool die gevouwen
is als
een driehoek, die een lengte heeft van
totaal 156 meter!
Diese Antenne ist eine
Halbwellenantenne für AM 675
kHz.
Ein Dipol, der wie gefaltet ist
ein Dreieck mit einer Gesamtlänge von
156 Metern! |
|

De antenne is een grote driehoek
die 4 meter boven de grond zweeft, het vertikaal
gedeelte is 23 meter hoog (loopt iets scheef van
de mast af). Vanaf de voedingspunt schuin naar
beneden, is 50 meter aan antennedraad tot aan de
85 uH verlengspoel. Van verlengspoel 85 uH naar
verlengspoel 37 uH, is de antennedraad 14
meter lang. Totaal is de antenne ongeveer 156 meter lang.
Die Antenne ist ein großes Dreieck, das 4 Meter
über dem Boden schwebt, der vertikale Teil ist
23 Meter hoch (leicht vom Mast abfallend). Vom
Einspeisepunkt abfallend befinden sich 50 Meter
Antennendraht zur 85-uH-Verlängerungsspule. Von
der Verlängerungsspule 85 uH bis zur
Verlängerungsspule 37 uH ist das Antennendraht
14 Meter lang. Insgesamt ist die Antenne etwa
156 Meter lang.
|
| |
|
|
|
| |
|
|
3 juli 2016 t/m
1 mei 2021:
|
Voltagebalun 2:1.
25 Ohm in vanaf de antenne en 50 Ohm uit naar de
zender.
Deze Voltage Balun heb ik gehaald uit een
defecte Fritzel Behuizing, deze was beschadigd
door langdurige invloed van UV-bloodstelling.
Deze Balun is van de Serie 83 AMA 1:1 Nr. 1012.
Hiervan heb ik de wikkelingen iets aangepast om
de verhouding 2:1 te krijgen.
Spannungsbalun 2:1.
25 Ohm Eingang von der Antenne und 50 Ohm
Ausgang zum Sender.
Ich
habe diesen Spannungsbalun aus einem defekten
Fritzel-Gehäuse ausgebaut, das durch
langfristige UV-Einwirkung beschädigt wurde.
Dieser Balun ist aus der Serie 83 AMA 1:1 Nr.
1012. Ich habe die Wicklungen leicht angepasst,
um das Verhältnis 2:1 zu erreichen. |
|
.jpg)
 |
| |
|
|
|
| |
|
3 juli
2016
t/m
2 december
2017:
|
Babylona's
Driehoekantenne
Deze antenne is een halve
golfantenne voor AM 747 kHz.
Een
dipool die gevouwen
is als
een driehoek, die een lengte heeft van 2
keer 78 meter!
Diese Antenne ist eine
Halbwellenantenne für AM 747
kHz.
Ein Dipol, der wie gefaltet ist
ein Dreieck mit einer Länge von 2 mal 78
Metern! |
|

De antenne is een grote driehoek
die 4 meter boven de grond zweeft, het vertikaal
gedeelte is 23 meter hoog (loopt iets scheef van
de mast af). Totaal is de antenne 156 meter
lang, er zitten na 1/8 golf aan draad vanaf de
voedingspunt aan beide kanten een spoel van 85
uF, en daarna nog ongeveer 1/16 golf aan draad.
De voedingspunt zit aan de bovenkant. Totaal is
de antenne ongeveer 156 meter lang.
Die Antenne ist ein großes Dreieck, das 4 Meter
über dem Boden schwebt, der vertikale Teil ist
23 Meter hoch (leicht vom Mast abfallend).
Insgesamt ist die Antenne 156 Meter lang, nach
1/8 Drahtwelle vom Einspeisepunkt auf beiden
Seiten befindet sich eine Spule von 85 uF und
dann etwa 1/16 Drahtwelle. Der Fütterungspunkt
befindet sich oben. Insgesamt ist die Antenne
etwa 156 Meter lang.
|
| |
|
|
|
| |
|
Antenne situatie
2015/2016:
Antennensituation 2015.2016: |

  |
| |
|
| |
De
Draadantenne in inverted V is voor rond de 40
meterband, en is los opgesteld tov de grote
mast, de voedingspunt zit daarvan op ongeveer 7
meter hoogte. Antenne voor 23 cm is een 48 element
Flexayagi,
antenne voor 35 cm is een 28 element Yagi. De 23 cm en 35 cm Yagi's zitten
in de mast op 24 meter
hoogte. Antenne voor 70 cm is een 19 element
Flexayagi.
We kunnen de Antenne voor 70 cm ook van horizontaal naar verticaal roteren, doormiddel van de
elevator rotor ERC-51 van CREATE. Deze Yagi
zit in de mast op 23 meter hoogte. De
bovenkant van de topmast zit op 25,5
meter hoogte, daar bevind zich de de 2
meter Televes GP rondstraler.
Die Drahtantenne in invertiertem V ist für das
40-Meter-Band ausgelegt und separat vom
Hauptmast aufgestellt. Der Einspeisepunkt
befindet sich auf einer Höhe von etwa 7 Metern.
Die Antenne für 23 cm ist ein Flexayagi mit 48
Elementen, die Antenne für 35 cm ist ein Yagi
mit 28 Elementen. Die 23 cm und 35 cm Yagis
befinden sich in einer Höhe von 24 Metern im
Mast. Antenne für 70 cm ist ein 19-Element-Flexayagi. Mit dem Elevator rotor ERC-51 von CREATE können
wir die Antenne auch um 70 cm von horizontal
nach vertikal drehen. Dieser Yagi befindet sich
im Mast in einer Höhe von 23 Metern. Die Spitze
des oberen Mastes befindet sich auf einer Höhe
von 25,5 Metern, dort befindet sich der 2 Meter
Televes GP Rundstrahler. |
| |
|
|
|
| |
|
Antenne situatie
2014/2015:
Antennensituation 2014/2015: |
 
 
|
| |
|
| |
Deze foto's heb ik
in september 2014 genomen, paar
weken na de grote reparatie en
modificatie van de Mast. Groten
deels van de antennes, waren toen
net weer terug in de mast geplaatst.
Het is een Bijzenmast van 3×8 meter, met een topmast die
er ± 4,5 meter bovenuit
steekt.
Antenne voor 23 cm is een 48 element
Flexayagi,
antenne voor 35 cm is een 28 element Yagi. De 23 cm en 35 cm Yagi's zitten
in de mast op 24 meter
hoogte. Antenne voor 70 cm is een 19 element
Flexayagi.
We kunnen de Antenne voor 70 cm ook van horizontaal naar verticaal roteren, doormiddel van de
elevator rotor ERC-51 van CREATE.
Antenne voor 10/15/20 meterband is
een dipool fritzel
FB13, deze dipool zit in de mast op 21,5
meter hoogte. Deze Yagi
zit in de mast op 23 meter hoogte. De
bovenkant van de topmast zit op 25,5
meter hoogte, daar bevind zich de de 2
meter Televes GP rondstraler.
Ich habe diese Bilder im September
2014 gemacht, einige Wochen nach der
großen Reparatur und Modifikation
des Mastes. Große Teile der Antennen
waren gerade wieder in den Mast
eingesetzt worden. Es ist ein
Bijzenmast von 3 × 8 Metern, über
dem ein Topmast ± 4,5 Meter
hervorsteht.
Die Antenne für 23 cm ist ein
Flexayagi mit 48 Elementen, die Antenne für 35
cm ist ein Yagi mit 28 Elementen.
Die 23 cm und 35 cm Yagis befinden
sich in einer Höhe von 24 Metern im
Mast. Antenne für 70 cm ist ein
19-Element Flexayagi. Mit dem Elevator
rotor ERC-51 von CREATE können wir
die Antenne auch um 70 cm von
horizontal nach vertikal drehen.
Antenne für 10/15/20 Meter Band ist
ein Dipol Fritzel FB13, dieser Dipol
befindet sich im Mast in einer Höhe
von 21,5 Metern. Dieser Yagi
befindet sich im Mast in einer Höhe
von 23 Metern. Die Spitze des oberen
Mastes befindet sich auf einer Höhe
von 25,5 Metern, dort befindet sich
der 2 Meter Televes GP Rundstrahler. |
| |
|
|
|
| |
|
Antenne situatie
2012/2014:
Antennensituation 2012/2014: |

 
  |
| |
|
| |
Op 20,5
meter hoogte, bevind zich de draad antenne
van ongeveer 2 keer 40 meter in inverterd V
gespannen. Antenne voor 10/15/20 meterband is een dipool fritzel
FB13, deze dipool zit
in de mast op 21,5 meter hoogte. Antenne voor 23 cm is een 48 element
Flexayagi,
antenne voor 13 cm is een 25 element Yagi. Antenne voor 35 cm is een 28 element Yagi,
de 13cm, 23cm en 35 cm Yagi's zitten
in de mast op 22 meter
hoogte. Antenne voor 70 cm is een 19 element
Flexayagi
en nu van horizontaal naar verticaal roteren, doormiddel van de
elevator rotor ERC-51 van CREATE. Deze
Yagi zit in de mast op 23 meter hoogte.
De bovenkant van de topmast zit op 24,5
meter hoogte, daar bevind zich de de 2
meter Televes GP rondstraler met 2,15 dbd
versterking.
In einer Höhe von 20,5 Metern wird die
Drahtantenne von ungefähr 2 mal 40
Metern in invertiertem V gespannt.
Antenne für 10/15/20 Meter Band ist ein
Dipol Fritzel FB13, dieser Dipol
befindet sich im Mast in einer Höhe von
21,5 Metern. Die Antenne für 23 cm ist
ein Flexayagi mit 48 Elementen, die Antenne
für 13 cm ist ein Yagi mit 25 Elementen.
Antenne für 35 cm ist ein Yagi mit 28
Elementen, die Yagi mit 13 cm, 23 cm und
35 cm befinden sich in einer Höhe von 22
Metern im Mast. Die Antenne für 70 cm
ist ein Flexayagi mit 19 Elementen und dreht
sich jetzt mithilfe des Elevator rotor
ERC-51 von CREATE von horizontal nach
vertikal. Dieser Yagi befindet sich im
Mast in einer Höhe von 23 Metern. Die
Spitze des Topmastes befindet sich auf
einer Höhe von 24,5 Metern, dort
befindet sich der 2 Meter Televes GP
Rundstrahler mit einer Verstärkung
von 2,15 dBd. |
| |
|
|
|
| |
|
|
Inverted V antenne
De Voedingspunt
van de draadantenne zat op 20
meter hoogte,
de antenne was ongeveer 2 keer 40 meter lang.
Aan de
uiteinde van de rechterdraad, ligt het
grond t.o.v. mast en het linkerdraad 1,5
meter lager. Het horizontale deel van de linkerdraad, zat 2,5 meter boven de
grond. De rechterdraad uiteinde zit op 2
meter boven de grond.
Der Einspeisepunkt der Drahtantenne
befand sich in einer Höhe von 20 Metern,
die Antenne war etwa 2 mal 40 Meter
lang.
Am Ende des rechten Kabels
befindet sich der Boden in
Bezug auf den Mast und der
linke Draht ist 1,5 Meter
tiefer. Der horizontale Teil
des linken Drahtes befand
sich 2,5 Meter über dem
Boden. Das rechte Drahtende
befindet sich 2 Meter über
dem Boden.
|
|

Zijaanzicht / Seitenansicht

Bovenaanzicht
/ Draufsicht
Deze 2 tekeningen zijn op schaal
getekend, zoals het in werkelijkheid
staat.
Diese beiden Zeichnungen sind wie in der
Realität maßstabsgetreu gezeichnet. |
| |
|
|
|
| |
|
Antenne situatie
2011/2012:
Antennensituation 2011/2012: |
 |
| |
|
| |
Op een paal
van 5 meter hoog stond een Sirio 827 ⅝ λ antenne voor de 10 meterband, heeft
een versterking van 1,5 dbd. Antenne voor 23 cm is een 48 element
Flexayagi,
antenne voor 13 cm is een 80 element
Flexayagi. De
23cm en 13cm Yagi's zitten
in de mast op 21,4 meter
hoogte. Antenne voor 70 cm is een 19 element
Flexayagi,
antenne voor 35 cm is een 28 element Yagi.
Voor 3 cm zit er een schotelantenne van
rond 60 cm erin.
De 70 cm en 35 cm Yagi's + schotelantenne
voor 10 GHz zitten
in de mast op 21,5 meter
hoogte. Voor 13 cm zit er een
schotelantenne van 100 bij 60 cm erin,
heeft een versterking van ± 22 dbd. De schotelantenne
voor 2,4 GHz zitten
in de mast op 22,7 meter
hoogte. De bovenkant van de topmast zit
op 24,5 meter hoogte, daar
bevind zich de Log Periodic
Antenna CLP 5130-1 van CREATE.
Eine Sirio 827 ⅝ λ antenne für das
10-Meter-Band stand auf einem 5 Meter
hohen Pol und hat eine Verstärkung von
1,5 dBd. Die Antenne für 23 cm ist ein
Flexayagi mit 48 Elementen, die Antenne für
13 cm ist ein Flexayagi mit 80 Elementen. Die
23 cm und 13 cm Yagis befinden sich im
Mast in einer Höhe von 21,4 Metern. Die
Antenne für 70 cm ist ein Flexayagi mit 19
Elementen, die Antenne für 35 cm ist ein
Yagi mit 28 Elementen. Für 3 cm befindet
sich eine Satellitenschüssel von ca. 60
cm. Die 70 cm und 35 cm Yagi +
Satellitenschüssel für 10 GHz befinden
sich im Mast in einer Höhe von 21,5
Metern. Für 13 cm gibt es eine
Satellitenschüssel von 100 mal 60 cm,
die eine Verstärkung von ± 22 dBd hat.
Die Satellitenschüssel für 2,4 GHz
befindet sich im Mast in 22,7 Metern
Höhe. Die Spitze des oberen Mastes ist
24,5 Meter hoch, wo sich die Log
Periodic Antenna CLP 5130-1 von CREATE
befindet. |
|
|
|
|
|
|
|
|
Antenne
situatie 2010/2011:
Antennensituation 2010/2011: |
 |
| |
|
| |
Op 19,5
meter hoogte, bevind zich de draad antenne G5RV
van 2 keer 31 meter in inverterd V
gespannen. Antenne voor 10/15/20 meterband is een dipool fritzel
FB13, deze dipool zit
in de mast op 21,2 meter
hoogte. Antenne voor 23 cm is een 48 element
Flexayagi,
antenne voor 13 cm is een 80 element
Flexayagi. De
23cm en 13cm Yagi's zitten
in de mast op 21,4 meter
hoogte. Antenne voor 70 cm is een 19 element
Flexayagi,
antenne voor 35 cm is een 28 element Yagi. Voor 3
cm zit er een schotelantenne van 60 cm
erin, heeft een versterking van ± 35,2 db.
De 70 cm en 35 cm Yagi's + schotelantenne zitten
in de mast op 22 meter
hoogte. De bovenkant van de topmast zit
op 24,5 meter hoogte, daar
bevind zich de Log Periodic
Antenna CLP 5130-1 van CREATE.
In einer Höhe von 19,5 Metern befindet
sich die Drahtantenne G5RV von 2 mal 31
Metern in invertiertem V. Antenne für
10/15/20 Meter Band ist ein Dipol
Fritzel FB13, dieser Dipol befindet sich
im Mast in einer Höhe von 21,2 Metern.
Die Antenne für 23 cm ist ein Flexayagi mit
48 Elementen, die Antenne für 13 cm ist
ein Flexayagi mit 80 Elementen. Die 23 cm und
13 cm Yagis befinden sich im Mast in
einer Höhe von 21,4 Metern. Die Antenne
für 70 cm ist ein Flexayagi mit 19 Elementen,
die Antenne für 35 cm ist ein Yagi mit
28 Elementen. Für 3 cm befindet sich
eine 60 cm Antenne, die eine Verstärkung
von ± 35,2 dB hat. Die 70 cm und 35 cm
Yagi's + Satellitenschüssel befindet
sich im Mast in einer Höhe von 22 Metern.
Die Spitze des oberen Mastes ist 24,5
Meter hoch, wo sich die Log Periodic
Antenna CLP 5130-1 von CREATE befindet. |
|
|
|
|
|
|
|
|
Antenne
situatie 2009/2010:
Antennensituation 2009/2010: |
 |
| |
|
| |
Antenne voor 10/15/20 meterband is een dipool fritzel FB13, heeft een
versterking van 0 dbd. Deze dipool zit
in de mast op 21,2 meter
hoogte. Antenne voor 23 cm is een 48 element
Flexayagi, heeft een versterking van ± 18,5 dbd.
Antenne voor 13 cm is een 80 element
Flexayagi,
heeft een versterking van ± 20,5dbd. De
13 en 23 cm Yagi's zitten
in de mast op 21,4 meter
hoogte. En onze
antenne voor 70 cm is een 19 element
Flexayagi, heeft een versterking van ± 15,2 dbd.
Antenne voor 35 cm is een 28 element
Yagi, heeft een versterking van ± 17,0
dbd. De 70 en 35 cm Yagi's
zit
in de mast op 22 meter
hoogte. De bovenkant van de topmast zit
op 24,5 meter hoogte, daar
bevind zich de Log Periodic
Antenna CLP 5130-1 van CREATE.
Antenne für 10/15/20 Meter Band ist ein
Dipol Fritzel FB13, hat eine Verstärkung
von 0 dBd. Dieser Dipol befindet sich im
Mast in einer Höhe von 21,2 Metern.
Antenne für 23 cm ist ein
48-Element Flexayagi, hat eine Verstärkung
von ± 18,5 dBd. Die 13-cm-Antenne ist
ein Flexayagi mit 80 Elementen und einer
Verstärkung von ± 20,5 dBd. Die 13 und
23 cm Yagis befinden sich im Mast in
einer Höhe von 21,4 Metern. Und unsere
Antenne für 70 cm ist ein Flexayagi mit 19
Elementen und einer Verstärkung von ±
15,2 dBd. Die Antenne für 35 cm ist ein
Yagi mit 28 Elementen und einer
Verstärkung von ± 17,0 dBd. Die 70 und
35 cm Yagi befinden sich in einer Höhe
von 22 Metern im Mast. Die Spitze des
oberen Mastes ist 24,5 Meter hoch, wo
sich die Log Periodic Antenna CLP 5130-1
von CREATE befindet. |
|
|
|
|
|
|
|
|
|
Antenne
situatie 2008/2009:
Antennensituation 2008/2009: |
 |
| |
|
| |
De bovenkant van de topmast zit
op 24,5 meter hoogte, daar
bevind zich de Log Periodic
Antenna CLP 5130-1 van CREATE. We konden toen met de Log Periodic
Antenna CLP 5130-1 ook van horizontaal naar verticaal roteren, doormiddel van de
elevator rotor ERC-51 van CREATE.
Die Spitze des oberen Mastes ist 24,5
Meter hoch, wo sich die Log Periodic
Antenna CLP 5130-1 von CREATE befindet.
Wir könnten dann auch die logarithmische
periodische Antenne CLP 5130-1 mit dem
CREATE Elevator rotor ERC-51 von
horizontal nach vertikal drehen. |
|
|
|
|
|
|
|
|
Antenne
situatie 2005/2008:
Antennensituation 2005/2008: |

 |
|
|
|
|
|
Dit is de
situatie vanaf de plaatsing van de
Bijzenmast. De
bovenkant van de topmast zit op 24,5
meter hoogte, daar
bevind zich de Log Periodic
Antenna CLP 5130-1 van CREATE. Deze type antenne is doorlopend, zowel ontvangst
als zenden van 50 t/m 1300 MHz en heeft
een versterking van ± 8-10 dbd en was
vertikaal geplaatst.
Dies ist die Situation seit der
Installation des Bijzenmast. Die Spitze
des oberen Mastes ist 24,5 Meter hoch,
wo sich die Log Periodic Antenna CLP
5130-1 von CREATE befindet. Dieser
Antennentyp empfängt und sendet von 50
bis 1300 MHz und hat eine Verstärkung
von ± 8-10 dBd und wurde vertikal
platziert. |
|
|
|
|
|
|
|
|
Antenne
situatie 1985/2005:
Antennensituation 1985/2005: |

In de periode van 1985 tot en met 2005
maakte ik uitsluitend gebruik van ronde
buisconstructies voor mijn
antenne-installaties. Deze constructies
vormden de basis voor alle opstellingen
in die jaren. De masten varieerden in
lengte, de hoogte van de masten lag
tussen de 6 en 20 meter, gemeten vanaf
het maaiveld.
Gedurende deze twee decennia heb ik
verschillende configuraties
uitgeprobeerd, telkens met het doel om
de signaalsterkte en de betrouwbaarheid
van de zender te optimaliseren. Hoewel
dit een belangrijke en leerzame periode
is geweest in de ontwikkeling van mijn
antenne-experimenten, zijn er helaas
geen foto’s of visuele documentatie
bewaard gebleven van deze opstellingen.
In der Zeit von 1985 bis 2005 verwendete
ich ausschließlich
Rundrohrkonstruktionen für meine
Antennenanlagen. Diese Konstruktionen
bildeten die Grundlage für alle
Aufbauten in diesen Jahren. Die Masten
variierten in ihrer Länge, ihre Höhe lag
zwischen 6 und 20 Metern, gemessen ab
Bodenniveau.
Im Laufe dieser zwei Jahrzehnte habe ich
verschiedene Konfigurationen ausprobiert
stets mit dem Ziel, die Signalstärke und
die Zuverlässigkeit des Senders zu
optimieren. Obwohl diese Phase eine
bedeutende und lehrreiche Zeit in der
Entwicklung meiner Antennenexperimente
war, sind leider keine Fotos oder
visuelle Dokumentationen dieser
Aufbauten erhalten geblieben. |
|
|
|
|
|
|
|
|
|
 |
|
|
|
|
|
|
|